Подберём оптимальное решение
Скомплектуем оборудование под Ваши исходные данные. Осуществим монтажные работы.
Описание
Отзывы
Описание
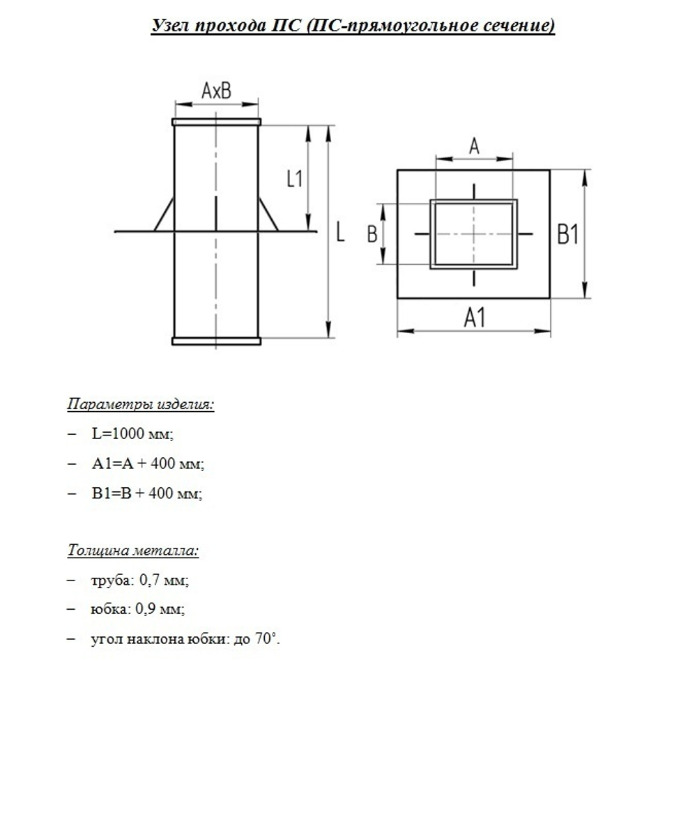
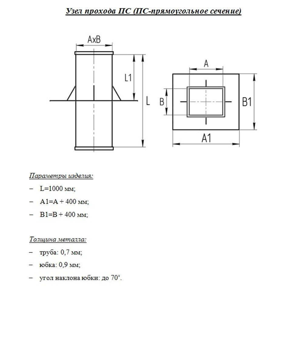
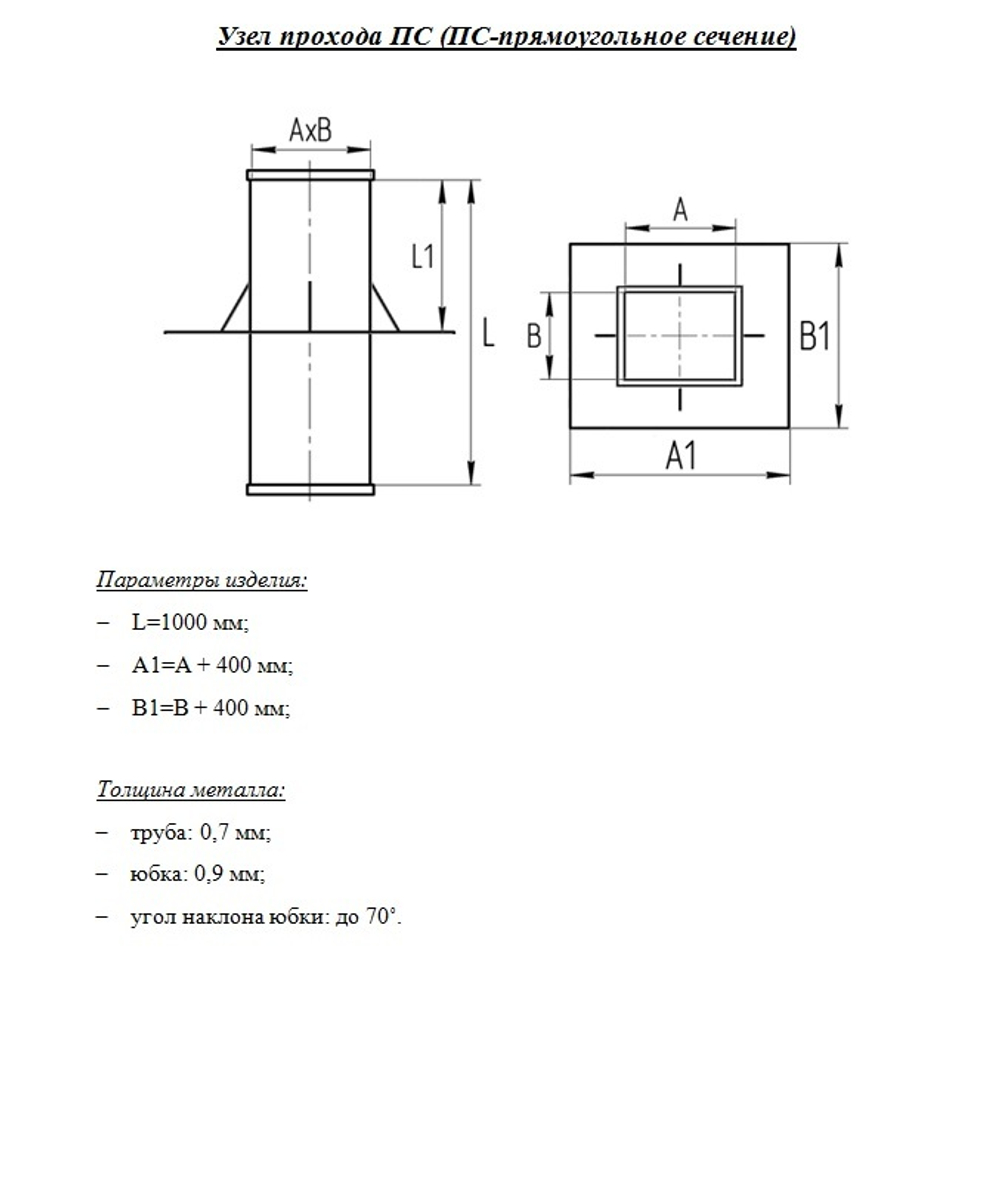
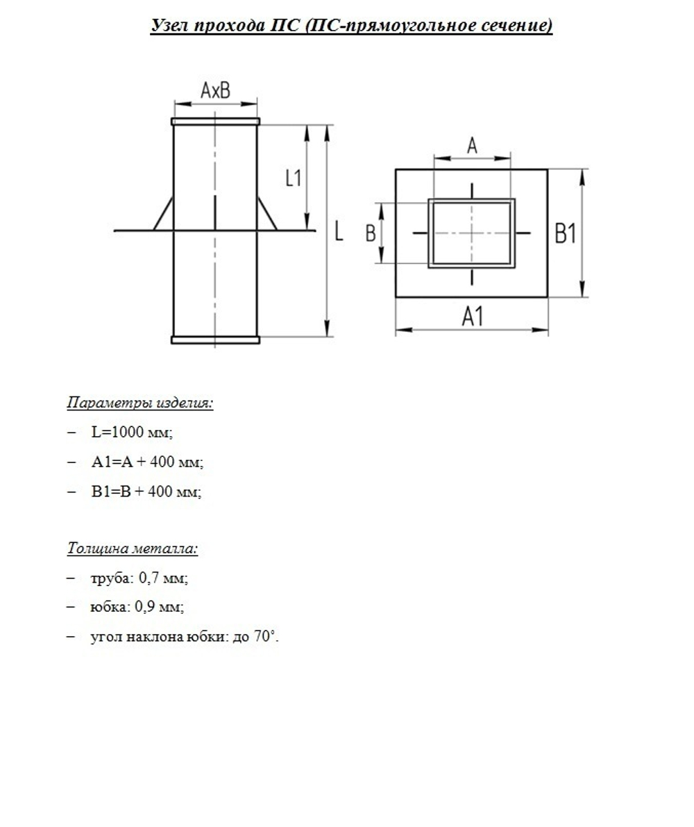
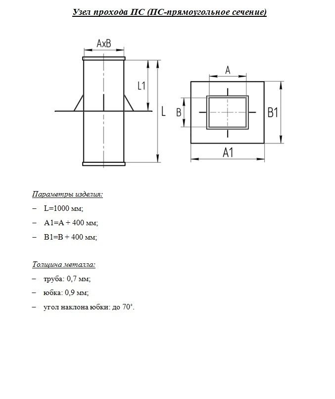
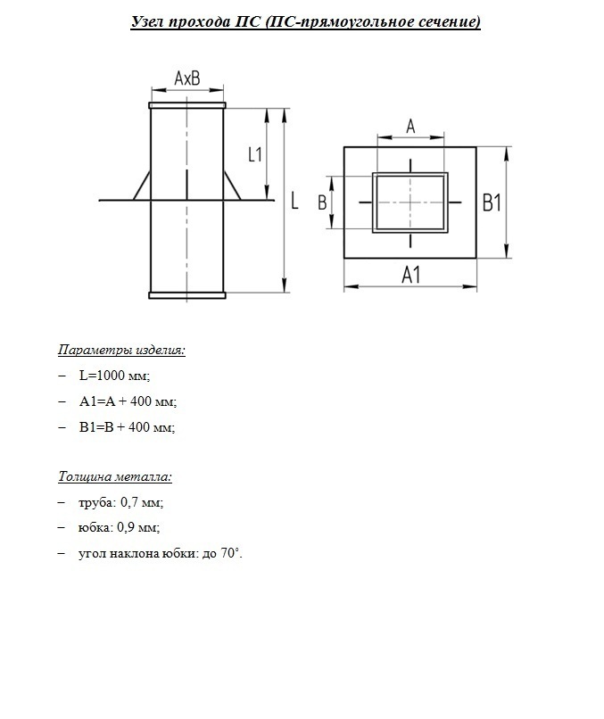
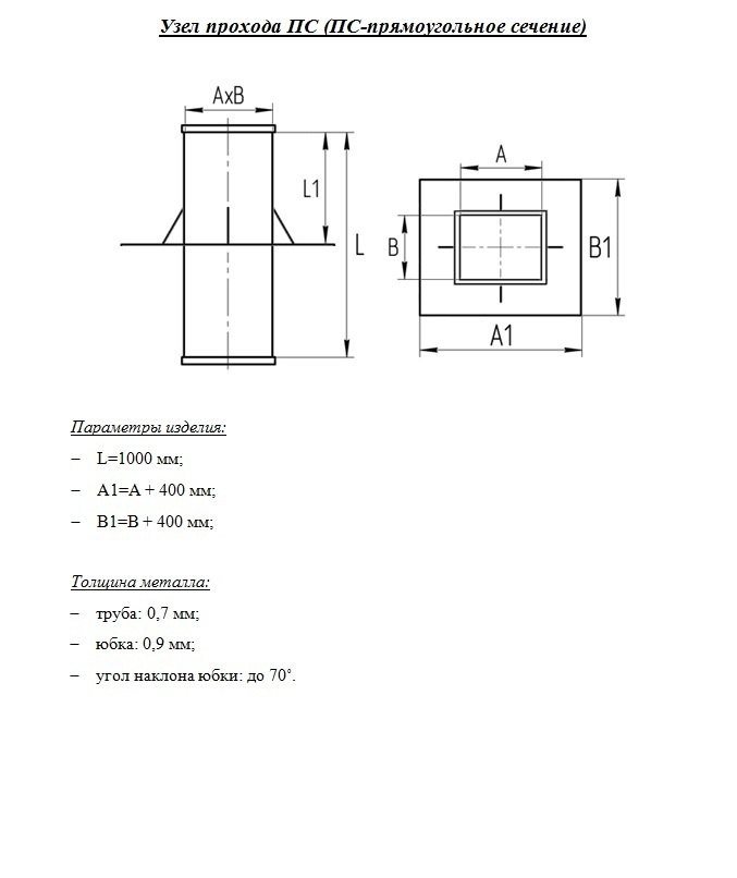
Узел прохода прямоугольный 600x400 - это элемент системы приточно вытяжной вентиляции.
Отзывы
Отзывов еще никто не оставлял
У НАС ПОКУПАЮТ, потому что:
Удобная доставка: Вы выбираете - мы отгружаем!
o До терминала ТК Деловые Линии в вашем городе
o До ближайшего удобного для вас пункта выдачи заказов Яндекс Маркет
Выгодно покупать комплектом
Приточная вентиляция + Вытяжная вентиляция = СКИДКА 10%
Оптовая скидка монтажникам при повторном обращении!
Надежная гарантия магазина - 1 год
В случае если вам не подошел товар - всегда можно вернуть или обменять!
У нас один из самых широких ассортиментов товаров для вентиляции
- Без использования электроэнергии (энергонезависимые решения)
- Настроить эффективную подачу воздуха, используя СМАРТ системы
- Сэкономить на отоплении (рекуператоры)
- Качественно профильтровать воздух (бризеры)
Профессиональная консультация технического специалиста в подборе технического решения
- Выезд специалиста на объект (в регионах присутствия компании).
- Выполнение проектных и монтажных работ (в регионах присутствия компании).
